電極體系常用于生物傳感器的構建以及生化檢測中,是電化學檢測領域的重要技術。
一.三電極體系的組成
三電極體系中的三電極是指:工作電極、對電極以及參比電極。
1.工作電極
工作電極(Work Electrode,WE),又稱為研究電極,是指所研究的反應在該電極上發生,也就是響應的物質在這個電極上發生反應。一般而言,工作電極的材料既可以是固體,又可以是液體。常用的工作電極材料有:玻碳電極、鉑(Pt)、金(Au)、銀(Ag)、鉛(Pb)、導電玻璃(ITO)、汞(Hg)等。
2.工作電極需要滿足以下條件:
2.1、所研究的電化學反應,不會因為電極自身所發生的的反應而受到影響,并且能夠在較大的點位區域中進行測定
2.2、電極材料不能與溶劑或電解液中的成分發生反應
2.3、電極面積不宜過大,且電極表面最好是平滑均一的,能夠通過簡單的方式進行表面凈化
為了保證實驗的可重復性,需要建立合適的電極預處理步驟,從而保證氧化還原、表面形貌的可重現性。
對電極
對電極(Counter Electrode、CE)又稱為輔助電極。輔助電極和工作電極組成回路,使工作電極上電流暢通,以保證所研究的反應在工作電極上發生。
當工作電極上發生氧化或還原反應時,對電極上可以安排為氣體的析出反應,或工作電極反應的逆反應,從而使得電解液的組成成分不變。對電極的性能一般不影響工作電極上的反應。
對電極的電位會隨電流的改變而發生變化,若測量的過程中通過的電流較大時,此時對電極本身將會發生極化,因此不能作為電勢比較的標準,容易引起測量誤差。為使對電極的電位保持穩定,則必須使用輔助電極,否則將會影響測量的準確性。
參比電極
參比電極(Reference Electrode,RE)的電位不受電解液成分變化的影響,具有恒定的數值。
理想的參比電極為:
1、電極反應可逆,符合Nernst方程
2、電勢不隨時間而變化
3、微小電流經過時,能夠保持恒定,且不易受溫度等因素的影響
二. 三電極體系的優勢
三電極體系是為了排除電極電勢因極化電流而產生較大誤差而設計的。它在常規的兩電極體系(工作電極和對電極)的基礎上引入用以穩定工作電極的參比電極。
當工作電極上的電流較小時,可以采用兩電極,即工作電極和參比電極,此時的參比電極既用于控制電位,又用于組成電流回路。
若流過工作電極的電流較大時,此時必須采用一個附加的電極,與工作電極組成電流回路,而此時的參比電極則用于控制電位。此時如果再以參比電極來組成電流回路,則會對參比電極產生很大的極化影響,甚至會破壞參比電極。

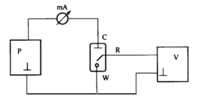
兩電極體系示意圖
三電極體系示意圖
如圖所示,三電極體系中構成了兩個回路,即:
1、測量回路:由工作電極和參比電極構成,即圖中的W和R,這個回路又稱為測量控制回路,用于測試工作電極上發生的電化學反應過程,此電路中無極化電流流過,只有極小的測量電流。
2、極化回路:由工作電極和對電極組成,即圖中的W和C。在極化回路中有極化電流,可對極化電流進行測量和控制,極化回路起到傳輸電子形成回路的作用 。
因此,使用三電極體系,既可以使工作電極的界面通過極化電流,又不妨礙工作電極的電位控制和測量,從而可以同時實現對電流和電勢的控制和測量。